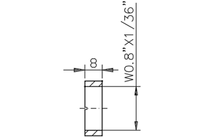
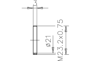
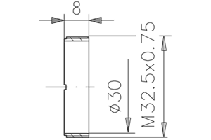
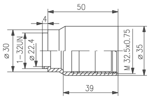
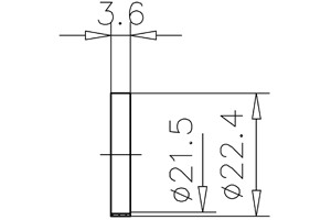
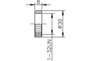
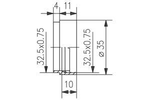
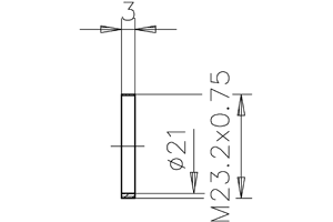
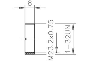
トップ 取扱メーカー 一覧 Excelitas Technologies (Excelitas) 光学マウント ・ 光学ベンチ LINOS チューブマウントシステム C LINOS チューブマウントシステム C レーザー用光学部品 価格表 製品ラインアップ チューブマウントシステム C セット チューブ C30 チューブ C35 キューブ&キューブインサート マウント リテーナーリング&スペーサー クランプホルダー チューブマウントシステム C セット チューブマウントシステム C 機械部品セット チューブ C30 チューブ C30 終端用チューブ C30x6 チューブ C35 チューブ C35 レンズチューブ C35x50 リテーナーマウント 31.5mm キューブ&キューブインサート ビームディフレクタキューブ C ビームディフレクタキューブ C-5 キャップ C 調整可能 ビームステアリングミラーマウント 調整可能 プリズムテーブルインサート 調整可能 ビームスプリッタキューブインサート マウント 空間フィルターモジュールチューブ C30x37.5 フィルターサポート C ネジ溝付きマウント アイリス絞りセット ライトトラップ ビームダンプ オプティクスマウント 1''、C30x15 調整可能チューブ C30(ロッキングカラー付き) フォーカシングマウント C30 コネクティングチューブ C30 FC/C30 FSMA 微調整機構 C30 フォーカシングマウント C35 ⌀6オプティクス調整用コネクティングチューブ C30 接眼レンズアダプター C30 接眼レンズチューブアダプター C C-Mount Adapter M17 Cマウントアダプター M17 リテーナーリング&スペーサー 刻みつき C30x8 C-マウント マイクロベンチアダプター アダプターリング C アダプターリング C-W0.8 リテーナーリング M23.2x0.75 リテーナーリング M32.5x0.75-8 スペーサ ⌀31.5 Retaining Ring M32.5x0.75 スペーサ ⌀22.4 フラット レンチ チューブ レンチ 22.4/31.5 クランプホルダ チューブ C - クランプホルダー 光アイソレータ(ファラデーアイソレータ)の動作原理 電気光学変調器(EOM)についての解説 FAQ よくある質問(電気光学変調器(EOM))
製品絞込フィルター 閉じる メーカー メーカーを選択 Acktar ADOS-TECH (IRVI) Advanced Fiber Resources (AFR) advanced microoptic systems (aµs) Ajile Light Industries Alluxa Alpine Reaserch Optics (ARO) Analog Modules (AMI) AnMo Electronics AOI Arden Photonics asphericon autoVimation Axometrics Bandwidth10 BATOP Berkshire Photonics BioPixS BOFA Boston Micromachines Brimrose CAM-Service CarbonVision CASTECH Cedrat technologies Chase Research Cryogenics (CRC) Chiral Photonics codixx Coherent Cutting Edge Optronics Dansk Fundamental Metrologi (DFM) Dantec Dynamics DataRay Delft Circuits DIOPTIC Double Helix Optics Dover Motion Eitzenberger EOSPACE Evanescent Optics Exail (iXblue) Excelitas Technologies (Excelitas) EXFO FEMTO FiberControl FLIM LABS Gigahertz Optik G&H GPD Optoelectronics (GPD) HB Optical HOASYS HOLO/OR ID Quantique (IDQ) ilis indie Infinity Photo-Optical InfraRed Associates Innovative Photonic Solutions (IPS) Interfiber Analysis Iridian Spectral Technologies (Iridian) IRLabs ISDC ITF Technologies JUTEC Koheron KrellTech L3Harris Technologies (L3Harris) Lambda Research Optics (Lambda) LASER COMPONENTS laservision LD-PD LightSmyth Liquid Instruments Liverage Technology (Liverage) LumeDEL Lumics Lumina Power Luna Macken Instruments Medlight MESSTEC Power Converter (MPC) Micro Electronics Midel Photonics Mightex Systems Mirrorcle Technologies Modular Photonics Modulight MRC Systems NanoIntegris New Infrared Technologies (NIT) Newton Research Labs (Newton Labs) Northrop Grumman SYNOPTICS NPL NTT-AT NTTテクノクロス Odhner Holographics Omega Optical Ophir Optronics Solutions (Ophir) Optilab optiX fab Opto-Link Optogama Optotune Oxford Instruments - Andor OZ Optics PCO PD-LD Phase Sensitive Innovations (PSI) Phasics Phoenix Photonics Photonic Cleaning Technologies (PCT) Pilot Photonics PLS Polariton Technologies Pure Photonics QMC Instruments Quantum Composers Raicol Crystals (Raicol) Rapid Spectral Solutions (RSS) RAYLASE REO Rocky Mountain Instrument (RMI) Sanayi System Scintacor Sheaumann Laser SILENTSYS Sill Optics SIOS Meßtechnik (SIOS) SQS Vláknová optika (SQS) Stensborg SUPERLUM SWISS JEWEL C.I. TAKIRON Time Group Universal Laser Systems VACOM Vytran WDI WEINERT Wyse Light XARION Laser Acoustics (XARION) XOS Yamamoto Kogaku Zurich Instruments 1. 製品タイプ 部品 / デバイス モジュール / サブシステム システム その他 2. 用途 測定する 加工する 観察する 生成する 保護する 動かす 変調する 伝送する 制御する 駆動する 清掃する 品質管理 / 保証 調節する 評価する 減衰する 増幅する 分析する 検出する 3. 応用分野 / 市場 レーザー加工 光通信 ライフサイエンス 顕微鏡 量子コンピューター 天文 / 宇宙 メディカル 農業 物理学 計測 / 分析 ディスプレイ関連 半導体関連 真空 ロボット センシング 光学実験 マシンビジョン 4. 製品カテゴリー オプティクス 光源 光学センサー ファイバーオプティクス 光学計測器 カメラ アクチュエーター メカニクス 素材 光学システム アクセサリー エレクトロニクス ソフトウェア 顕微鏡 / 周辺機器 光変調器 工具 5. 波長 X線 / 軟X線 紫外 可視光 赤外 テラヘルツ波 条件を選択してください すべてクリア