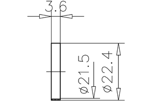
トップ 取扱メーカー 一覧 Excelitas Technologies (Excelitas) 光学マウント ・ 光学ベンチ LINOS チューブマウントシステム C スペーサ ⌀22.4 スペーサ ⌀22.4 部品 / デバイス 光学実験 メカニクス ご相談 ・ お問合せ ラインアップ 技術資料 図面 ラインアップ 型番 商品名 G063010012 Spacer 22.4 技術資料 Application Brochure Microbench and Railsystems 図面 この製品に関するお問合せフォーム フォームが表示されるまでしばらくお待ちください。 しばらくお待ちいただいてもフォームが表示されない場合、恐れ入りますが こちら までお問合せください。
製品絞込フィルター 閉じる メーカー メーカーを選択 Acktar ADOS-TECH (IRVI) Advanced Fiber Resources (AFR) advanced microoptic systems (aµs) Ajile Light Industries Alluxa Alpine Reaserch Optics (ARO) Analog Modules (AMI) AnMo Electronics AOI Arden Photonics asphericon autoVimation Axometrics Bandwidth10 BATOP Berkshire Photonics BioPixS BOFA Boston Micromachines Brimrose CAM-Service CarbonVision CASTECH Cedrat technologies Chase Research Cryogenics (CRC) Chiral Photonics codixx Coherent Cutting Edge Optronics Dansk Fundamental Metrologi (DFM) Dantec Dynamics DataRay Delft Circuits DIOPTIC Double Helix Optics Dover Motion Eitzenberger EOSPACE Evanescent Optics Exail (iXblue) Excelitas Technologies (Excelitas) EXFO FEMTO FiberControl FLIM LABS Fluence Gigahertz Optik G&H GPD Optoelectronics (GPD) HB Optical HOASYS HOLO/OR ID Quantique (IDQ) ilis indie Infinity Photo-Optical InfraRed Associates Innovative Photonic Solutions (IPS) Interfiber Analysis Iridian Spectral Technologies (Iridian) IRLabs ISDC ITF Technologies JUTEC Koheron KrellTech L3Harris Technologies (L3Harris) Lambda Research Optics (Lambda) LASER COMPONENTS laservision LD-PD LightSmyth Liquid Instruments Liverage Technology (Liverage) LumeDEL Lumics Lumina Power Luna Macken Instruments Medlight MESSTEC Power Converter (MPC) Micro Electronics Midel Photonics Mightex Systems Mirrorcle Technologies Modular Photonics Modulight MRC Systems NanoIntegris New Infrared Technologies (NIT) Newton Research Labs (Newton Labs) Northrop Grumman SYNOPTICS NPL NTT-AT NTTテクノクロス Odhner Holographics Omega Optical Ophir Optronics Solutions (Ophir) Optilab optiX fab Opto-Link Optogama Optotune Oxford Instruments - Andor OZ Optics PCO PD-LD Phase Sensitive Innovations Phasics Phoenix Photonics Photonic Cleaning Technologies (PCT) Pilot Photonics PLS Polariton Technologies Pure Photonics QMC Instruments Quantum Composers Raicol Crystals (Raicol) Rapid Spectral Solutions (RSS) RAYLASE REO Rocky Mountain Instrument (RMI) Sanayi System Scintacor Sheaumann Laser SILENTSYS Sill Optics SIOS Meßtechnik (SIOS) SQS Vláknová optika (SQS) Stensborg SUPERLUM SWISS JEWEL C.I. TAKIRON Time Group Universal Laser Systems VACOM Vytran WDI WEINERT Wyse Light XARION Laser Acoustics (XARION) XOS Yamamoto Kogaku Zurich Instruments 1. 製品タイプ 部品 / デバイス モジュール / サブシステム システム その他 2. 用途 測定する 加工する 観察する 生成する 保護する 動かす 変調する 伝送する 制御する 駆動する 清掃する 品質管理 / 保証 調節する 評価する 減衰する 増幅する 分析する 検出する 3. 応用分野 / 市場 レーザー加工 光通信 ライフサイエンス 顕微鏡 量子コンピューター 天文 / 宇宙 メディカル 農業 物理学 計測 / 分析 ディスプレイ関連 半導体関連 真空 ロボット センシング 光学実験 マシンビジョン 4. 製品カテゴリー オプティクス 光源 光学センサー ファイバーオプティクス 光学計測器 カメラ アクチュエーター メカニクス 素材 光学システム アクセサリー エレクトロニクス ソフトウェア 顕微鏡 / 周辺機器 光変調器 工具 5. 波長 X線 / 軟X線 紫外 可視光 赤外 テラヘルツ波 条件を選択してください すべてクリア