コリメーターホルダー
SMAネジ溝付きコリメーターを、マイクロベンチシステムの中へ組み込むことが可能です。
【型番】 G061087000
【製品名】 コリメーターホルダー W
マウントプレート 30、またはキューブ 30 の中へ組み込むために、外径 ⌀30mmになっています。


【型番】 G061088000
【製品名】 コリメーターホルダー S
マイクロベンチロッド用に2つ穴があるので、ロッド上のあらゆる場所に設置が可能です。


キュベットホルダー
キューブ 30 の中へ組み込むことが可能で、エッジ長 12.5mmの標準のキュベットを固定するために使用されます。
カバーキャップが1つ付属します。
【型番】 G061086000
【製品名】 キュベットホルダー



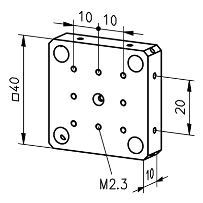
マウントプレート
マイクロベンチのセットアップを、FLS 40レールシステムのキャリア上に垂直にマウントするための部品です。
【型番】 G061085000
【製品名】 レール FLS 40用 マウントプレート


キャップ
マイクロベンチキューブの開口部を使用しない際のキャップとして使用します。 ⌀25、30 mmの 2種類をご用意。
黒色アルマイトアルミニウム製です。
【型番】 G061078000
【製品名】 キャップ 30
【型番】 G061079000
【製品名】 キャップ 25



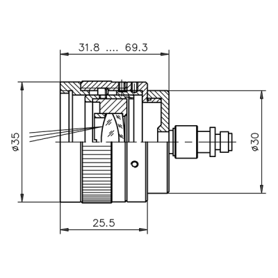
集光コリメーター
光ファイバーからの拡散光(出射光)を集光 / コリメートするコンパクトなレンズです。
移動量5mmで調整でき、波長400nm~800nm対応。 高いビーム品質 ・ 低波面収差で、アクロマートレンズには広帯域ARコーティングが採用されています。
NA=0.1 シングルモードファイバー または NA=0.22 マルチモードファイバー用があり、FC/PC または FC/APCのFCコネクター対応モデルがあります。
【型番】 G169003000
【製品名】 集光コリメーター MB 02
【型番】 G169005000
【製品名】 集光コリメーター MB 06
【型番】 G169013000
【製品名】 集光コリメーター MB 02

FC/PC(G169003000, G169005000)

FC/APC(G169013000)

チューブ
外乱光や迷光をブロックし、接眼レンズホルダーとしても使用可能な部品です。
外径 ⌀25mm、内径 ⌀23.2mmです。
【型番】 G063665000
【製品名】 チューブ OD 25 mm


レンズターレット
顕微鏡対物レンズ4個のマウント用、ボールベアリング式レンズターレット(⌀60mm)です。
Cマウントアダプターは着脱可能で、バネ式の移動止めにより安定した位置決めが可能です。
【型番】 G061647000
【製品名】 Cマウントアダプター付き レンズターレット x4
固定用ネジ :
– Cマウントアダプター付き :
1-32 UN(C-マウント)
– Cマウントアダプターなし :
W0.8" x 1/36"


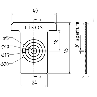
アライメントプレート
マイクロベンチの内での光軸の調整用、アルミニウム製です。
幅 40mm、高さ 45mmで、同心円の中心に ⌀1mmの穴が開いています。
【型番】 G061680000
【製品名】 マイクロベンチ アライメントプレート



価格表
-
※送料については、次のページから詳細をご確認ください。 送料(配送料)について
この製品に関するお問合せフォーム
フォームが表示されるまでしばらくお待ちください。
しばらくお待ちいただいてもフォームが表示されない場合、恐れ入りますが こちら までお問合せください。

