リニアステージは、セントラル、オフセットドライブ、マイクロメーターネジ付、微調ネジ付の4つのバージョンがあります。
ステージ T 10 FとTS 10 Fは0.25 mmピッチの微調ねじが付いています。
軸受けには六角穴があり、付属の六角ノブで駆動できます。六角穴が必要ない場合は、ノブは接着できます。
- 高精密ボール・ベアリング
- 遊びなしの正確動作
- センタ (T) またはオフセット (TS) ドライブ
- マイクロメーター使用(タイプM)または微調ねじ(タイプF)
- 移動距離 10 mm
- ねじピッチ 0.25 mm
- マイクロメーター分解能 10 µm
- 感度 1 µm (type M)

T 10 M

TS 10 M

T 10 F

TS 10 F
仕様
| Part No. | Drive | Guide accuracy at load FZ (µm) | Guide accuracy, no load (µm) | Max. load +FX (N) | Max. load ±FY (N) | Max. load -FX (N) | Max. load Fz (N) | Rated Load FZ (N) | System parameter ⌀1 (mm) | System parameter ⌀2 (mm) | Deflection in αx (mrad/Nm) | Deflection in αy (mrad/Nm) | Repeatability at load FZ (µm) | Weight (kg) |
|---|---|---|---|---|---|---|---|---|---|---|---|---|---|---|
| G080111000 | center micrometer | 3 | 1 | 10 | 60 | 20 | 60 | 10 | 10 | 20 | 1.5 | 1.8 | 4 | 0.1 |
| G080211000 | lateral micrometer | 2 | 0.5 | 10 | 60 | 20 | 60 | 10 | 10 | 20 | 1.5 | 1.8 | 1 | 0.1 |
| G080212000 | lateral screw | 2 | 0.5 | 10 | 60 | 20 | 60 | 10 | 10 | 20 | 1.5 | 1.8 | 0.1 | |
| G080113000 | center screw | 3 | 0 | 10 | 60 | 20 | 60 | 10 | 10 | 20 | 1.5 | 1.8 | 0.1 |
製品一覧
| 型番 | 製品名 | 価格(税別) |
|---|---|---|
| G080111000 | Linear stage T 10 M | ¥163,200 |
| G080211000 | Linear stage TS 10 M | ¥152,800 |
| G080212000 | Linear stage TS 10 F | ¥129,700 |
| G080113000 | Linear stage T 10 F | ¥128,900 |
-
※為替レートの変動により予告なく価格を変更する場合があります。
-
※送料については、以下のページから詳細をご確認ください。
送料(配送料)について
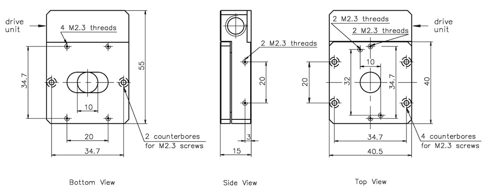
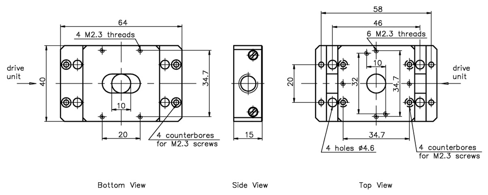
技術資料
図面
Load Capacity
T 10
TS 10
Ø = 14 mm
L = 36 mm in central position
To integrate the T / TS linear stages to the Microbench.
Two Corner connector 40 are necessary for a stable construction.
この製品に関するお問合せフォーム
フォームが表示されるまでしばらくお待ちください。
しばらくお待ちいただいてもフォームが表示されない場合、恐れ入りますが こちら までお問合せください。

