TBポジショナシリーズは小型で高負荷容量が特長です。ボールベアリングガイドは、ステンレス製のベース構造に直接敷き詰められ、異例な精度を保っています。圧縮バネはバックラッシュを最小限に抑えています。このポジショナは、ねじ付コネクターでふたつ合わせてXYでの使用ができます。Z軸用に、角度を付けてマウントすることも可能です。ポジショナは大きな有効径を持っているため、ビームパス上の光学パーツの調整にもお使いいただけます。
- 遊びなしの精密動作
- 移動距離 5, 16, 25, 40 mm
- ボール・ベアリング・ガイド
- 感度 1 µm
- マイクロメーター分解能 10 µm

仕様
| Part No. | Deflection in αx (mrad/Nm) |
Deflection in αy (mrad/Nm) |
Travel (mm) |
Cz = central load (N) | a = design parameter (mm) | Axial load in the direction - Cx (N) | Axial load in the direction + Cx (restoring force) (N) | Driving torque ωx at +Cx = 8 N (Nm) | Weight (kg) |
|---|---|---|---|---|---|---|---|---|---|
| G085130000 | 0.5 | 1.5 | 5 | 50 | 12 | 50 | 8 | 0.008 | 0.1 |
| G085136000 | 0.3 | 0.9 | 16 | 100 | 30 | 120 | 8 | 0.01 | 0.3 |
| G085140000 | 0.05 | 0.1 | 25 | 250 | 45 | 200 | 20 | 0.03 | 0.9 |
製品一覧
| 型番 | 製品名 | 価格(税別) |
|---|---|---|
| G085130000 | Linear stage TB 32-5 | ¥113,100 |
| G085136000 | Linear stage TB 50-16 | ¥133,900 |
| G085140000 | Linear stage TB 80-25 | ¥163,000 |
-
※為替レートの変動により予告なく価格を変更する場合があります。
-
※送料については、以下のページから詳細をご確認ください。
送料(配送料)について
技術資料
図面
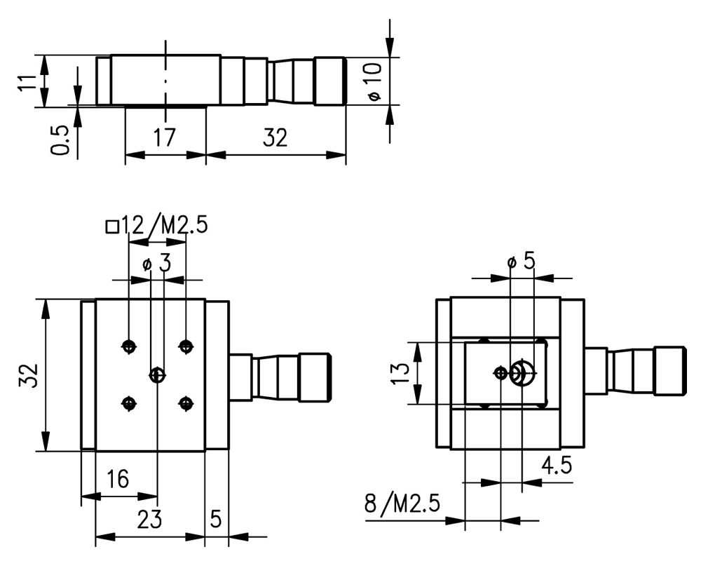
Linear Stage TB 32-5
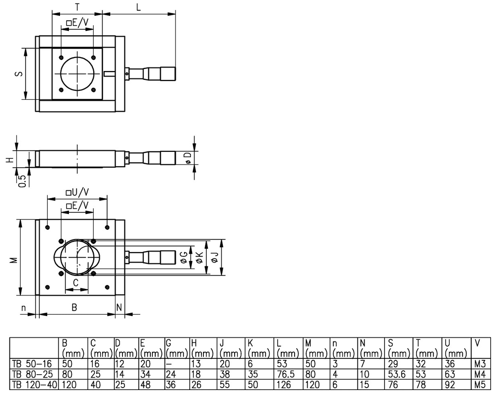
Lineartische TB 50-16 / TB 80-25 / TB 120-40
Loads equivalent to the rated load Cz can be calculated using the following formula:
C = Q (1 + D/a)
C = load equivalent to the central load
Q = off-center load
D = load distance in mm
a = design parameter
Note that C may not assume values higher than the respective rated load Cz.
この製品に関するお問合せフォーム
フォームが表示されるまでしばらくお待ちください。
しばらくお待ちいただいてもフォームが表示されない場合、恐れ入りますが こちら までお問合せください。

