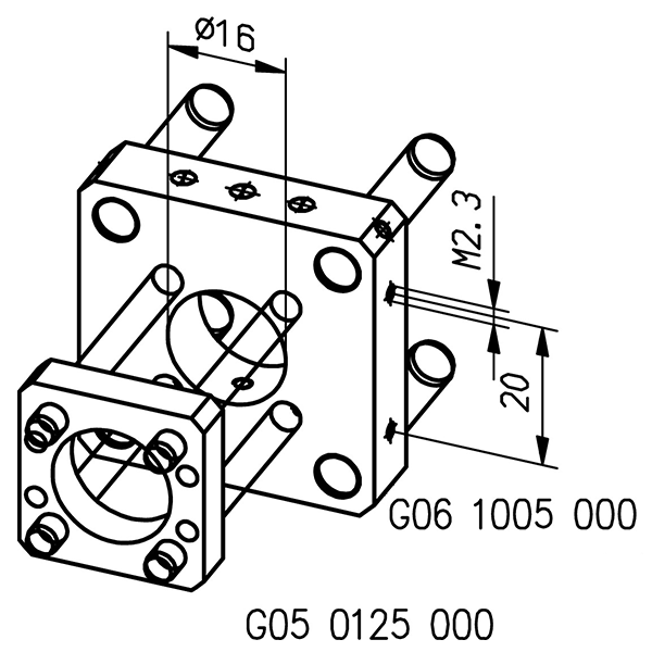
マウントプレートやホルダのマウント径の変換に使用したり、マウント、ファイバーコネクターなど、様々な規格のマウントにマッチさせる部品です。
製品一覧 A
製品画像 ・ 図面 ・ 特長 ・ 仕様


- マイクロベンチとナノベンチの接続用アダプタ
- ナノベンチロッド用穴 16mm 間隔
- マイクロベンチロッド用穴 30mm 間隔
- 内径⌀16mm にナノベンチ用マウント付きオプティクスを搭載可能
- プレートにはネジは付属していません。ロッドに固定する際は、マイクロベンチ:M2.3、ナノベンチ:M2.5 のネジをお使いください。
製品一覧 B
製品画像 ・ 図面 ・ 特長 ・ 仕様


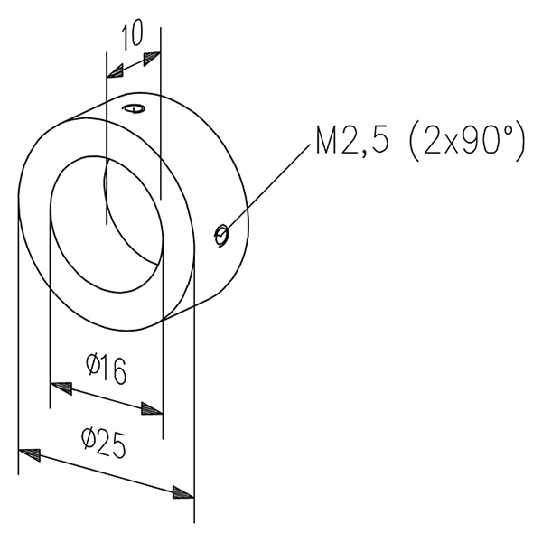
- ナノベンチ用オプティクス (外径:16mm) を外径 25mm に変換、マイクロベンチのマウントプレート(マウントプレート25:G061010000など)に搭載可能
- マウント付きレンズを固定するためには、 M2.5x3 イモネジセット (型番:G05 1520 000) が必要です。
製品一覧 C

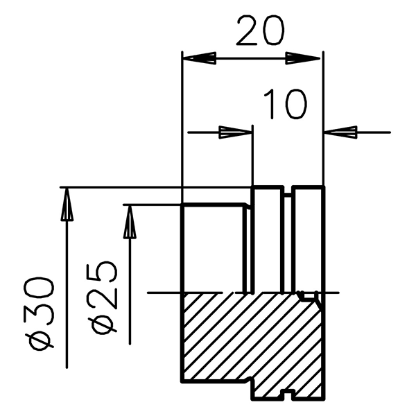
- マウントまたは⌀25mm マウントの部品を 素早く交換する場合に便利な部品
- 固定用の M2.3 サムスクリュ x 2 個が付属します。
Outer-⌀ * (mm):25
Inner diameter (mm):25
Length (mm):20
製品一覧 D
製品画像 ・ 図面 ・ 特長 ・ 仕様


- ⌀25mm または 30mm のアパーチャを、ビーム光路の終端でふさぐためのキャップ
- カスタムのオプティクスホルダや部品の組み立てに
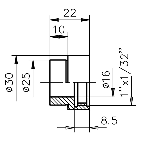
製品一覧 E
製品画像 ・ 図面 ・ 特長 ・ 仕様


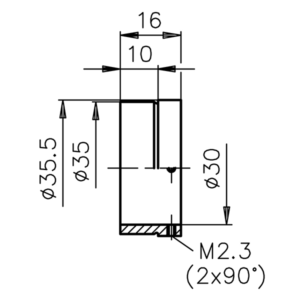
- ⌀30mm を⌀25mmに 変換
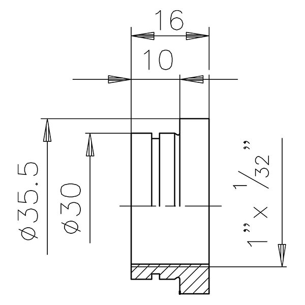
製品一覧 F
製品画像 ・ 図面 ・ 特長 ・ 仕様


- ⌀35mm を⌀30mm に変換
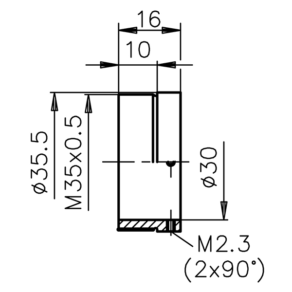
製品一覧 G
製品画像 ・ 図面 ・ 特長 ・ 仕様


- M35x0.5のネジ溝に⌀30mm の部品をマウントするために
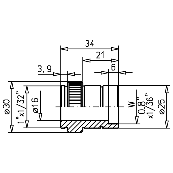
製品一覧 H
製品画像 ・ 図面 ・ 特長 ・ 仕様


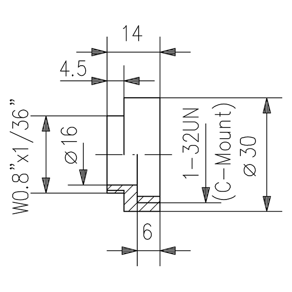
- CCD カメラやレーザービームエキスパンダなど、C マウント(1"x1/32)ネジ溝付きのデバイスを⌀30mmア パーチャにマウントするための部品
製品一覧 I
製品画像 ・ 図面 ・ 特長 ・ 仕様


- 外径が 25mm で内部に C マウントネジ溝付きのアダプタ
製品一覧 J
製品画像 ・ 図面 ・ 特長 ・ 仕様


- C マウント付きのレーザーや CCD カメラをマイクロベンチに 固定するための部品
- C マウントのアライメントを固定するためのリテーナリング付き
- マイクロベンチロッドで直接固定可能
- ⌀25mm の中心穴
製品一覧 K
製品画像 ・ 図面 ・ 特長 ・ 仕様


- C マウント付きの部品をスタンダードな顕微鏡用ネジ溝にマウントする部品
- マイクロベンチマウントティングプレートにも使用可能
| 製品名 | 型番 | 価格(税別) | 技術資料 |
|---|---|---|---|
| アダプター 1'' / W 0.8'' and ⌀ 25 |
G061661000 | ¥7,900 |
製品一覧 L
製品画像 ・ 図面 ・ 特長 ・ 仕様


- 他社の光学ベンチ / ケージシステムと組み合わせることが可能
- アダプタの内側は M23.2×0.75 のネジ溝
- インチ規格用に設計されたマウント・キャリアを、標準のマイクロベンチに適合
- マイクロベンチの内径 30mm のマウントプレート と、1.035''-40 UN ネジ付きマウントプレートを接続
- 内部ネジにより、リテーナリングを使用して、⌀22.4mm までの光学部品を取り付け可能
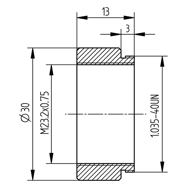
製品一覧 M
製品画像 ・ 図面 ・ 特長 ・ 仕様


- 1.035''-40 UN のネジ溝マウント付きのオプティクスを、内径 30mm のLINOS マウントプレートに取り付けるためのアダプタ
- 外径:30mm、長さ:10mm
- 内部ネジ溝:1.035''-40 UN
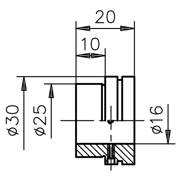
製品一覧 N
製品画像 ・ 図面 ・ 特長 ・ 仕様


- 外径 16mm の小型対物レンズを外径 25mm または 30mm に変換
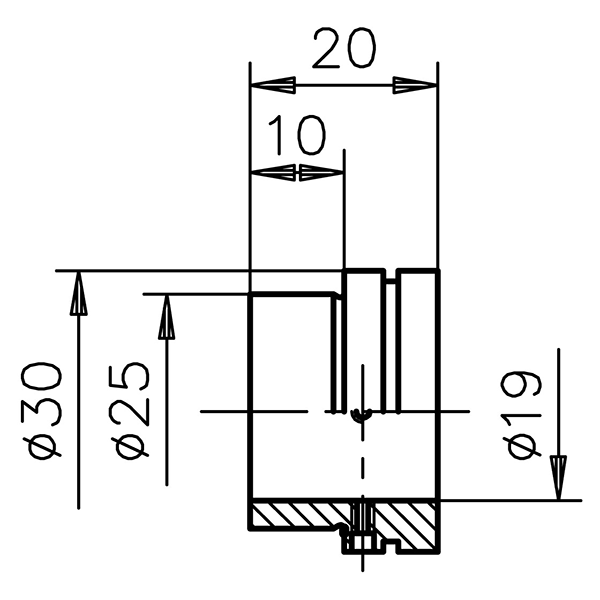
製品一覧 O
製品画像 ・ 図面 ・ 特長 ・ 仕様


- 外径 19mm の小型対物レンズを外径 25mm または 30mm に変換
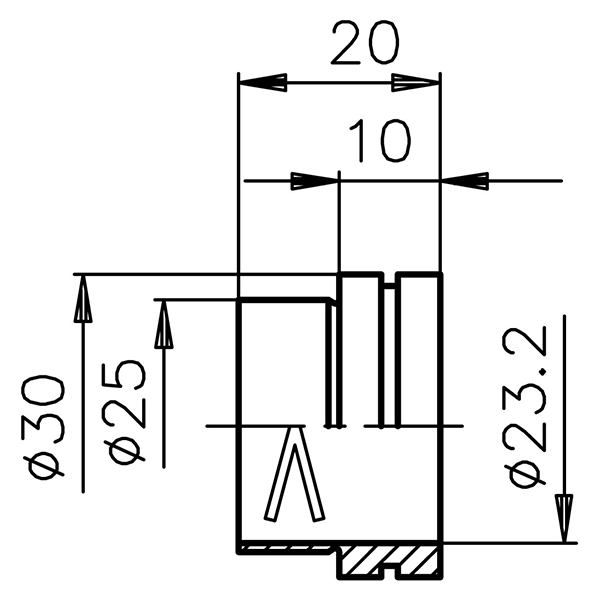
製品一覧 P
製品画像 ・ 図面 ・ 特長 ・ 仕様


- ⌀ 23.2 mm のスタンダードな顕微鏡接眼レンズを、マウントプレート 25 または 30 に取り付けるためのアダプタ
製品一覧 Q
製品画像 ・ 図面 ・ 特長 ・ 仕様


- W0.8"x1/36" (RMS) ネジ溝付きのスタンダードな顕微鏡対物レンズを、マウントプレート 25 または 30 に取り付けるためのアダプタ
製品一覧 R
製品画像 ・ 図面 ・ 特長 ・ 仕様


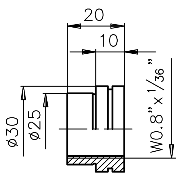
- C マウントネジ溝付きの部品を、スタンダードな W0.8"x1/36" の顕微鏡用マウントに取り付けるアダプタ
製品一覧 S
製品画像 ・ 図面 ・ 特長 ・ 仕様


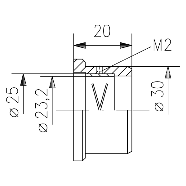
- ⌀ 23.2mm のスタンダードな顕微鏡接眼レンズを、⌀25mm のアパーチャに取り付けるアダプタ
製品一覧 T
製品画像 ・ 図面 ・ 特長 ・ 仕様


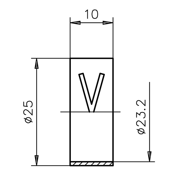
- ⌀ 23.2mm のスタンダードな顕微鏡接眼レンズを、⌀30mm のアパーチャに取り付けるアダプタ
- アダプタを取り付けてもチューブの全長は変わりません。
製品一覧 U
製品画像 ・ 図面 ・ 特長 ・ 仕様


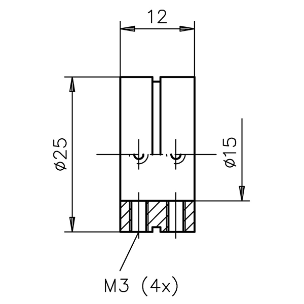
- 内径 25mm を 15mm に変換するアダプタ
製品一覧 V
製品画像 ・ 図面 ・ 特長 ・ 仕様


- オプティクスを含まないマウンティングフランジ
- FC コネクタまたは FSMA コネクタ付きファイバーを取り付け可能
- ⌀25mm、長さ 10mm
- マウントプレート 25、ホルダ 25、センタリングマウントプレート 25 などに取り付け可能
| 製品名 | 型番 | 価格(税別) | 技術資料 |
|---|---|---|---|
| アダプター 25 / FC [コネクター(小):FC/PC] |
G067054000 | ¥16,000 | — |
| アダプター 25 / FSMA [コネクター(小):FSMA] |
G067055000 | ¥22,000 | |
| アダプター 25 / FC 3.5° [コネクター(小):FC/APC (3.5°)] |
G067065000 | ¥22,000 |
製品一覧 W
製品画像 ・ 図面 ・ 特長 ・ 仕様


- マイクロベンチのマウントプレートを様々な機器に取り付ける場合のフランジ
製品一覧 X
製品画像 ・ 図面 ・ 特長 ・ 仕様


- レンズなしのマウンティングフランジ
- FC/APC, FC/PC コネクタ用
- FC/APC コネクタ端面からの戻り光を防ぐ
- C マウント雌ネジ(1-32 UN 2A)
- ⌀30mm なのでホルダ 30 やマウントプレート 30 などにフィット
| 製品名 | 型番 | 価格(税別) | 技術資料 |
|---|---|---|---|
| FC ファイバーアダプター 3.5°(FC/APC) |
G038857000 | ¥17,600 | — |
| FC ファイバーアダプター (FC/PC) |
G038853000 | ¥17,600 | — |
製品一覧 Y
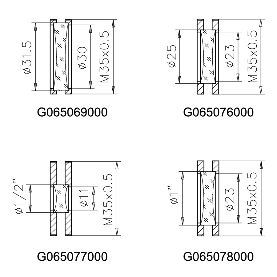
製品画像 ・ 図面 ・ 特長 ・ 仕様

- 2 個セット
- マウントプレート M35x0.5 やホルダ M35x0.5に、⌀1/ 2", 1", 25mm, 31.5mm のオプティクスをマウントする用
| 製品名 | 型番 | 価格(税別) | 技術資料 |
|---|---|---|---|
| リテーナーリング ⌀31.5 mm (2 個セット) |
G065069000 | ¥4,900 | — |
| リテーナーリング ⌀25 mm (2個セット) |
G065076000 | ¥5,600 | |
| リテーナーリング ⌀1/2'' (2個セット) |
G065077000 | ¥5,800 | — |
| リテーナーリング ⌀1'' (2個セット) |
G065078000 | ¥5,800 | — |
製品一覧 Z
製品画像 ・ 図面 ・ 特長 ・ 仕様



- マイクロベンチロッド上のクランプ、止め具として
- ロッド、カウンタサポート、マイクロメーター用ホルダ、マイクロメーター G、スプリングと組み合わせて Z 軸移動を実現
| 製品名 | 型番 | 価格(税別) | 技術資料 |
|---|---|---|---|
| カラーセット(10個セット) | G061220000 | ¥8,100 |
製品一覧 AA
製品画像 ・ 図面 ・ 特長 ・ 仕様


HeNe-Laser with outer diameter of 31.7 mm attached in Microbench

Adapter to attach a Cylindrical HeNe Laser with 31.7 mm outer diameter to Microbench Mounting plate 35 (G06 1047 000) and Holder 35 (G06 5084 000).
| 製品名 | 型番 | 価格(税別) | 技術資料 |
|---|---|---|---|
| HeNe レーザー用アダプター ⌀31.7 mm |
G040691000 | ¥3,700 | — |
この製品に関するお問合せフォーム
フォームが表示されるまでしばらくお待ちください。
しばらくお待ちいただいてもフォームが表示されない場合、恐れ入りますが こちら までお問合せください。

