マウントプレートやホルダのマウント径の変換に使用したり、マウント、ファイバーコネクターなど、様々な規格のマウントにマッチさせる部品です。
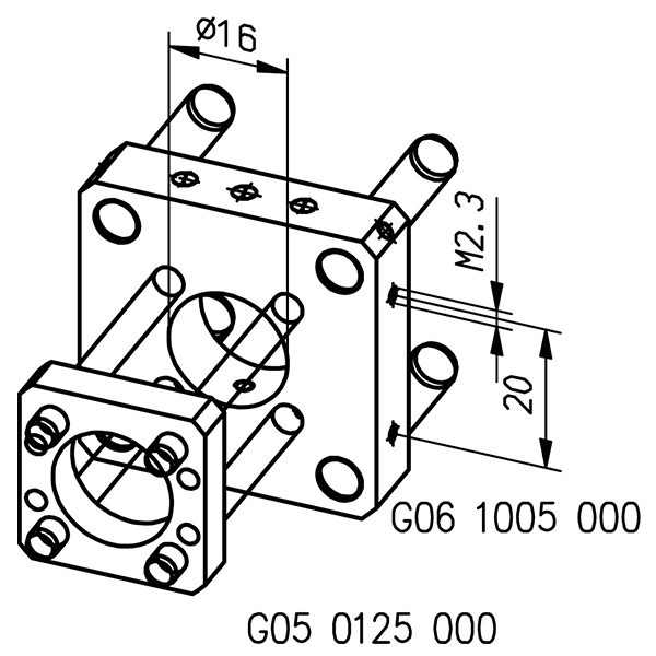
ナノベンチ変換
- マイクロベンチとナノベンチの接続用アダプター
- ナノベンチロッド用穴 16mm間隔
- マイクロベンチロッド用穴 30mm間隔
- 内径⌀16mmにナノベンチ用マウント付きオプティクスを搭載可能
- プレートにはネジは付属していません。 ロッドに固定する際は、マイクロベンチ M2.3、ナノベンチ M2.5 のネジをお使いください。
【型番】 G061005000
【製品名】 マイクロベンチ / ナノベンチ 変換アダプター


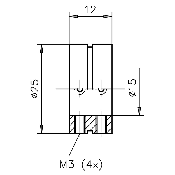
径変換(16/25/30/35mm)
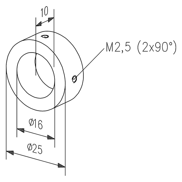
【型番】 G050309000
【製品名】 アダプター 16/25
ナノベンチ用オプティクス(外径 16mm)を外径 25mmに変換。 マイクロベンチのマウントプレート(マウントプレート 25など)に搭載可能です。
マウント付きレンズを固定するためには、M2.5x3 止めネジセット(G051520000)が必要です。


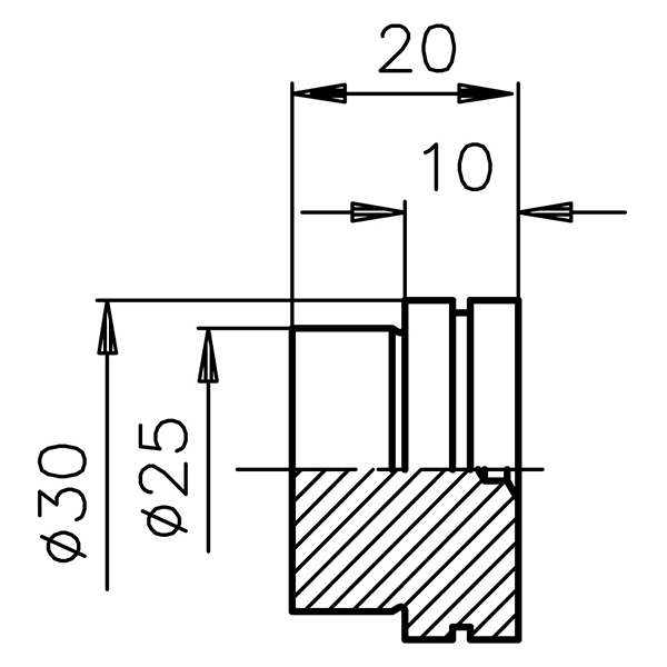
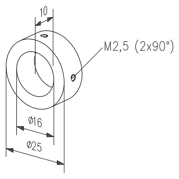
【型番】 G061602000
【製品名】 アダプター 30/25
⌀30mmを⌀25mmに変換します。


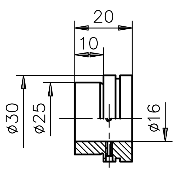
【型番】 G061637000
【製品名】 アダプター 35/30
⌀35mmを⌀30mmに変換します。


アダプターカラー
マウントまたは⌀25mmマウントの部品を、素早く交換する場合に便利な部品です。
固定用の M2.3サムスクリュー 2個が付属します。
Outer-⌀ * 25mm
Inner diameter 25mm
Length 20mm
【型番】 G065042000
【製品名】 アダプターカラー

遮光キャップ
⌀25mm または 30mmのアパーチャを、ビーム光路の終端でふさぐためのキャップです。
カスタムのオプティクスホルダーや、部品の組み立てに使用します。
【型番】 G061601000
【製品名】 キャップ 30/25


Cマウント/M35変換
- アダプター M35x0.5/30 (G061638000)
- アダプター 30/Cマウント(1"x1/32") (G061658000)
- アダプター Cマウント / マイクロベンチ (G061659000)
- アダプター 1" to 0.8" or ⌀25mm (G061661000)
- アダプター 0.8" to 1" (G061662000)
- アダプター 25/Cマウント (G061664000)
【型番】 G061638000
【製品名】 アダプター M35x0.5/30
M35x0.5のネジ溝に、⌀30mmの部品をマウントするために使用します。


【型番】 G061658000
【製品名】 アダプター 30/Cマウント(1"x1/32")
CCDカメラやレーザービームエキスパンダなど、Cマウント(1"x1/32")ネジ溝付きのデバイスを、⌀30mmアパーチャにマウントするための部品です。


【型番】 G061659000
【製品名】 アダプター Cマウント / マイクロベンチ
Cマウント付きのレーザーやCCDカメラを、マイクロベンチに固定するための部品です。
Cマウントのアライメントを固定するためのリテーナーリング付きで、マイクロベンチロッドで直接固定可能。 中心穴は⌀25mmです。


【型番】 G061661000
【製品名】 アダプター 1" to 0.8" or ⌀25mm
Cマウント付きの部品をスタンダードな顕微鏡用ネジ溝にマウントする部品です。 また、マイクロベンチマウントティングプレートにも使用可能です。


【型番】 G061662000
【製品名】 アダプター 0.8" to 1"
Cマウントネジ溝付きの部品を、スタンダードな W0.8"x1/36"の顕微鏡用マウントに取り付けるアダプターです。


【型番】 G061664000
【製品名】 アダプター 25/Cマウント
外径が25mm、内部にCマウントネジ溝付きのアダプターです。


他社システム変換
- 他社の光学ベンチ / ケージシステムと組み合わせることが可能
- アダプターの内側は M23.2 x 0.75のネジ溝
- インチ規格用に設計されたマウント ・ キャリアを、標準のマイクロベンチに適合
- マイクロベンチの内径 30mmのマウントプレートと、1.035''-40 UNネジ付きマウントプレートを接続
- 内部ネジにより、リテーナーリングを使用して、⌀22.4mmまでの光学部品を取り付け可能
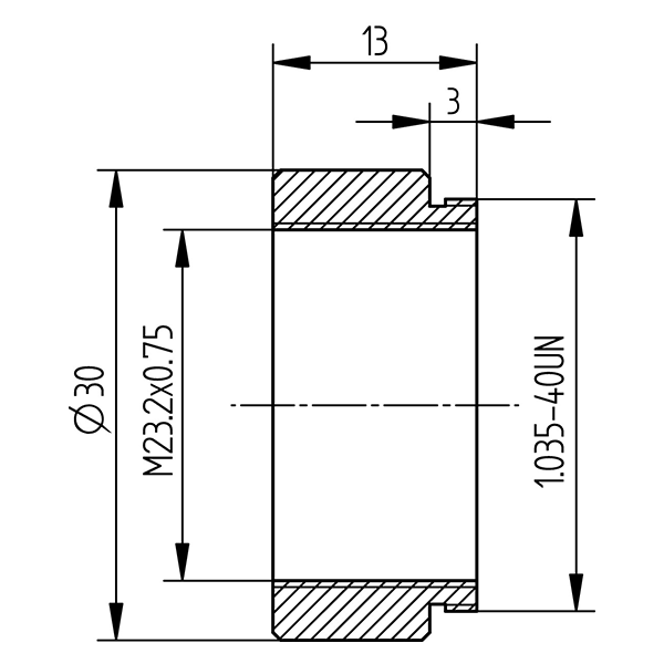
【型番】 G060407000
【製品名】 ベンチシステム用アダプター 30 & 1.035''-40 UN


1.035インチネジ変換
内部ネジ溝 1.035''-40 UNのネジ溝マウント付きのオプティクスを、内径 30mmのLINOSマウントプレートに取り付けるためのアダプターです。
外径 30mm、長さ 10mmです。
【型番】 G061168000
【製品名】 アダプター 1.035"-40UN / 30


小型対物レンズ用
【型番】 G061622000
【製品名】 アダプター 16
外径 16mmの小型対物レンズを、外径 25mmまたは30mmに変換します。


【型番】 G061623000
【製品名】 アダプター 19
外径 19mmの小型対物レンズを、外径 25mmまたは30mmに変換します。


【型番】 G061636000
【製品名】 アダプター 23.2
⌀23.2mmのスタンダードな顕微鏡接眼レンズを、マウントプレート 25 または 30に取り付けるためのアダプターです。


リデューシングリング
【型番】 G061621000
【製品名】 リデューシングリング W0.8"x1/36"
W0.8"x1/36"(RMS)ネジ溝付きのスタンダードな顕微鏡対物レンズを、マウントプレート 25または30に取り付けるためのアダプターです。


【型番】 G061626000
【製品名】 リデューシングリング 25/15
内径25mmを、15mmに変換するアダプターです。


接眼レンズホルダー
【型番】 G038855000
【製品名】 接眼レンズホルダー
⌀23.2mmのスタンダードな顕微鏡用接眼レンズを、⌀25mmのアパーチャに取り付けるためのアダプターです。


【型番】 G061634000
【製品名】 接眼レンズホルダー 23.2/30
⌀23.2mmのスタンダードな顕微鏡接眼レンズを、⌀30mmのアパーチャに取り付けるためのアダプターです。
アダプターを取り付けてもチューブの全長は変わりません。


FC/SMA変換(25mm用)
- オプティクスを含まないマウンティングフランジ
- FCコネクターまたは FSMAコネクター付きファイバーを取り付け可能
- ⌀25mm、長さ 10mm
- マウントプレート 25、ホルダー 25、センタリングマウントプレート 25 などに取り付け可能
【型番】 G067054000
【製品名】 アダプター 25/FC
コネクター(小) FC/PC
【型番】 G067055000
【製品名】 FSMAファイバーアダプター
コネクター(小) FSMA
【型番】 G067065000
【製品名】 アダプター 25/FC 3.7°
コネクター(小) FC/APC (3.5°)


プレート固定フランジ
マイクロベンチのマウントプレートを様々な機器に取り付けるためのフランジです。
【型番】 G061674000
【製品名】 マウントプレート固定用フランジ


FC変換(30mm用)
- レンズなしのマウンティングフランジ
- FC/APC, FC/PCコネクター用
- FC/APCコネクター端面からの戻り光を防ぐ
- Cマウント雌ネジ(1-32 UN 2A)
- ⌀30mmなのでホルダー 30 やマウントプレート 30などにフィット
【型番】 G038857000
【製品名】 FCファイバーアダプター 3.5°(FC/APC)
【型番】 G038853000
【製品名】 FCファイバーアダプター(FC/PC)


リテーナーリング
マウントプレート M35x0.5や、ホルダー M35x0.5に、⌀1/ 2" / 1" / 25mm / 31.5mmのオプティクスをマウントするときに使用します(2個セット)。
【型番】 G065069000
【製品名】 リテーナーリング ⌀31.5mm(2個セット)
【型番】 G065076000
【製品名】 リテーナーリング ⌀25mm(2個セット)
【型番】 G065077000
【製品名】 リテーナーリング ⌀1/2''(2個セット)
【型番】 G065078000
【製品名】 リテーナーリング ⌀1''(2個セット)

カラーセット
マイクロベンチロッド上のクランプ、止め具として使用します。
ロッド、カウンタサポート、マイクロメーター用ホルダー、マイクロメーター G、スプリングと組み合わせて Z軸移動を実現します。
【型番】 G061220000
【製品名】 カラーセット(10個セット)



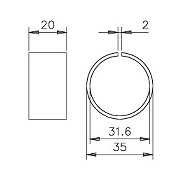
HeNeレーザー用
外径31.7mmの円筒形HeNeレーザーを、マイクロベンチ用マウントプレート 35(G061047000)およびホルダー 35(G065084000)に取り付けるためのアダプターです。
【型番】 G040691000
【製品名】 HeNeレーザー用アダプターリング ⌀31.6 mm



外径31.7mmのHeNeレーザーをマイクロベンチに装着した構成例
価格表
-
※送料については、次のページから詳細をご確認ください。 送料(配送料)について
この製品に関するお問合せフォーム
フォームが表示されるまでしばらくお待ちください。
しばらくお待ちいただいてもフォームが表示されない場合、恐れ入りますが こちら までお問合せください。

