
仕様
| Part No. | Optic Size (mm) | Focal Length (mm) | Material | Optic Centering Accuracy | Surface Quality | Optic Center Thickness dm (mm) | dm Tolerance (mm) | Optic Edge Thickness (mm) | ⌀ Tolerance (mm) | f'355 nm (mm) | f'546 nm (mm) | f'1064 nm (mm) | Radius of Curvature 1 (mm) | Radius of Curvature 2 (mm) |
|---|---|---|---|---|---|---|---|---|---|---|---|---|---|---|
| G311202000 | ⌀6 | 5 | Fused Silica | 4' | 3x0.063 | 3 | ± 0.10 | 1 | -0.075 | 5.83 | 6.01 | 6.14 | 5.012 | -5.012 |
| G311203000 | ⌀10 | 10 | Fused Silica | 4' | 3x0.1 | 4 | ± 0.15 | 1.2 | -0.09 | 10.79 | 11.14 | 11.39 | 9.578 | -9.578 |
| G311204000 | ⌀12.5 | 12.5 | Fused Silica | 4' | 3x0.1 | 4.7 | ± 0.20 | 1 | -0.13 | 12.98 | 13.41 | 13.7 | 11.548 | -11.548 |
| G311205000 | ⌀12.5 | 16 | Fused Silica | 4' | 3x0.1 | 3.8 | ± 0.20 | 1.2 | -0.13 | 17.2 | 17.78 | 18.17 | 15.735 | -15.735 |
| G311206000 | ⌀18 | 20 | Fused Silica | 4' | 3x0.1 | 5.8 | ± 0.20 | 1.4 | -0.13 | 21.69 | 22.42 | 22.91 | 19.668 | -19.668 |
| G311026000 | ⌀22.4 | 25 | Fused Silica | 4' | 3x0.16 | 7 | ± 0.20 | 1.6 | -0.13 | 26.87 | 27.78 | 28.4 | 24.406 | -24.406 |
| G311207000 | ⌀22.4 | 30 | Fused Silica | 4' | 3x0.16 | 6 | ± 0.20 | 1.5 | -0.13 | 31.52 | 32.59 | 33.32 | 29.007 | -29.007 |
| G311208000 | ⌀22.4 | 40 | Fused Silica | 4' | 3x0.16 | 4.9 | ± 0.20 | 1.7 | -0.13 | 42.36 | 43.81 | 44.8 | 39.525 | -39.525 |
| G311209000 | ⌀22.4 | 50 | Fused Silica | 4' | 3x0.16 | 4.2 | ± 0.20 | 1.6 | -0.13 | 52.61 | 54.42 | 55.66 | 49.403 | -49.403 |
| G311210000 | ⌀22.4 | 60 | Fused Silica | 4' | 3x0.16 | 3.7 | ± 0.20 | 1.6 | -0.13 | 64.1 | 66.31 | 67.82 | 60.43 | -60.43 |
| G311027000 | ⌀22.4 | 80 | Fused Silica | 4' | 3x0.16 | 3.3 | ± 0.20 | 1.7 | -0.13 | 82.79 | 85.66 | 87.62 | 78.298 | -78.298 |
| G311211000 | ⌀22.4 | 100 | Fused Silica | 4' | 3x0.16 | 2.9 | ± 0.20 | 1.6 | -0.13 | 105.51 | 109.18 | 111.67 | 100 | -100 |
| G311212000 | ⌀22.4 | 150 | Fused Silica | 4' | 3x0.16 | 2.4 | ± 0.20 | 1.6 | -0.13 | 157.54 | 163.01 | 166.75 | 149.62 | -149.62 |
| G311213000 | ⌀22.4 | 200 | Fused Silica | 4' | 3x0.16 | 2.2 | ± 0.20 | 1.6 | -0.13 | 209.92 | 217.22 | 222.2 | 199.53 | -199.53 |
| G311711000 | ⌀31.5 | 30 | Fused Silica | 3' | 3x0.16 | 11.5 | ± 0.20 | 2 | -0.07 | 32.01 | 33.07 | 33.8 | 28.49 | -28.49 |
| G311712000 | ⌀31.5 | 40 | Fused Silica | 3' | 3x0.16 | 8.6 | ± 0.20 | 2 | -0.07 | 42.73 | 44.17 | 45.17 | 39.243 | -39.243 |
| G311713000 | ⌀31.5 | 50 | Fused Silica | 3' | 3x0.16 | 7.3 | ± 0.20 | 2.2 | -0.07 | 53.35 | 55.18 | 56.44 | 49.594 | -49.594 |
| G311714000 | ⌀31.5 | 60 | Fused Silica | 3' | 3x0.16 | 6.2 | ± 0.20 | 2 | -0.07 | 64.08 | 66.29 | 67.81 | 60 | -60 |
| G311715000 | ⌀31.5 | 80 | Fused Silica | 3' | 3x0.16 | 5.1 | ± 0.20 | 2 | -0.07 | 85.51 | 88.46 | 90.5 | 80.583 | -80.583 |
| G311716000 | ⌀31.5 | 100 | Fused Silica | 3' | 3x0.16 | 4.5 | ± 0.20 | 2 | -0.07 | 106.94 | 110.64 | 113.2 | 101.092 | -101.092 |
| G311718000 | ⌀31.5 | 120 | Fused Silica | 3' | 3x0.16 | 4.1 | ± 0.20 | 2.1 | -0.07 | 128.25 | 132.69 | 135.76 | 121.446 | -121.446 |
製品一覧
両凸レンズ(マウントなし ・ 石英ガラス)の一覧表です。 2行目のフィールドに頭の文字を入力すると絞り込めます(例 : 「1」と入力すると、1から始まるデータの行のみが表示されます)。
| 型番 | 製品名 | コーティングなし 型番末尾 xxx=000 |
ARB2-VIS 型番末尾 xxx=322 |
ARB2-NIR 型番末尾 xxx=525 |
ARHS-YAG 型番末尾 xxx=329 |
RAL(AL) 型番末尾 xxx=331 |
RAGV 型番末尾 xxx=400 |
|---|---|---|---|---|---|---|---|
| G311202xxx | Biconvex lens; Fused silica; D=6; F=5 | ¥16,200 | ¥19,100 | ¥26,200 | ¥19,100 | ¥18,300 | ¥18,300 |
| G311203xxx | Biconvex lens; Fused silica; D=10; F=10 | ¥16,200 | ¥19,100 | ¥26,200 | ¥19,100 | ¥18,300 | ¥18,300 |
| G311204xxx | Biconvex lens; Fused silica; D=12.5; F=12.5 | ¥21,400 | ¥24,300 | ¥31,400 | ¥24,300 | ¥23,500 | ¥23,500 |
| G311205xxx | Biconvex lens; Fused silica; D=12.5; F=16 | ¥21,400 | ¥24,300 | ¥31,400 | ¥24,300 | ¥23,500 | ¥23,500 |
| G311206xxx | Biconvex lens; Fused silica; D=18; F=20 | ¥20,300 | ¥23,200 | ¥30,300 | ¥23,200 | ¥22,400 | ¥22,400 |
| G311026xxx | Biconvex lens; Fused silica; D=22.4; F=25 | ¥19,700 | ¥23,000 | ¥30,900 | ¥23,000 | ¥22,200 | ¥22,200 |
| G311207xxx | Biconvex lens; Fused silica; D=22.4; F=30 | ¥20,300 | ¥23,700 | ¥31,600 | ¥23,700 | ¥22,800 | ¥22,800 |
| G311208xxx | Biconvex lens; Fused silica; D=22.4; F=40 | ¥20,300 | ¥23,700 | ¥31,600 | ¥23,700 | ¥22,800 | ¥22,800 |
| G311209xxx | Biconvex lens; Fused silica; D=22.4; F=50 | ¥20,300 | ¥23,700 | ¥31,600 | ¥23,700 | ¥22,800 | ¥22,800 |
| G311210xxx | Biconvex lens; Fused silica; D=22.4; F=60 | ¥20,300 | ¥23,700 | ¥31,600 | ¥23,700 | ¥22,800 | ¥22,800 |
| G311027xxx | Biconvex lens; Fused silica; D=22.4; F=80 | ¥19,900 | ¥23,200 | ¥31,200 | ¥23,200 | ¥22,400 | ¥22,400 |
| G311211xxx | Biconvex lens; Fused silica; D=22.4; F=100 | ¥20,300 | ¥23,700 | ¥31,600 | ¥23,700 | ¥22,800 | ¥22,800 |
| G311212xxx | Biconvex lens; Fused silica; D=22.4; F=150 | ¥20,300 | ¥23,700 | ¥31,600 | ¥23,700 | ¥22,800 | ¥22,800 |
| G311213xxx | Biconvex lens; Fused silica; D=22.4; F=200 | ¥20,300 | ¥23,700 | ¥31,600 | ¥23,700 | ¥22,800 | ¥22,800 |
| G311711xxx | Biconvex lens; Fused silica; D=31.5; F=30 | ¥28,700 | ¥32,800 | ¥43,400 | ¥32,800 | ¥31,600 | ¥31,600 |
| G311712xxx | Biconvex lens; Fused silica; D=31.5; F=40 | ¥28,700 | ¥32,800 | ¥43,400 | ¥32,800 | ¥31,600 | ¥31,600 |
| G311713xxx | Biconvex lens; Fused silica; D=31.5; F=50 | ¥28,700 | ¥32,800 | ¥43,400 | ¥32,800 | ¥31,600 | ¥31,600 |
| G311714xxx | Biconvex lens; Fused silica; D=31.5; F=60 | ¥28,700 | ¥32,800 | ¥43,400 | ¥32,800 | ¥31,600 | ¥31,600 |
| G311715xxx | Biconvex lens; Fused silica; D=31.5; F=80 | ¥28,700 | ¥32,800 | ¥43,400 | ¥32,800 | ¥31,600 | ¥31,600 |
| G311716xxx | Biconvex lens; Fused silica; D=31.5; F=100 | ¥28,700 | ¥32,800 | ¥43,400 | ¥32,800 | ¥31,600 | ¥31,600 |
| G311718xxx | Biconvex lens; Fused silica; D=31.5; F=120 | ¥28,700 | ¥32,800 | ¥43,400 | ¥32,800 | ¥31,600 | ¥31,600 |
-
※送料については、以下のページから詳細をご確認ください。
送料(配送料)について -
※為替レートの変動により予告なく価格を変更する場合があります。 最新の価格については、お問合せください。
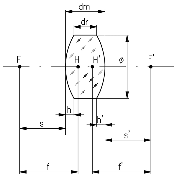
図面
f: focal length (object side)
f': focal length (image side)
s: object distance
s': image distance
⌀: lens diameter
dm: center thickness
dr: edge thickness
h, h': sagital height primary/secondary vertex
h, h' = (dm-dr) / 2 for symmetrical biconvex lenses
F, F': focal points
H, H': principal points
Tolerances:
Focal length f': ±2%
Image distance s': ±2%
コーティング
この製品に関するお問合せフォーム
フォームが表示されるまでしばらくお待ちください。
しばらくお待ちいただいてもフォームが表示されない場合、恐れ入りますが こちら までお問合せください。

