
仕様
| Part No. | Optic Size (mm) | Length (mm) | Mount | Focal Length (mm) | Material | Optic Centering Accuracy | Surface Quality | Optic Center Thickness dm (mm) | dm Tolerance (mm) | Optic Edge Thickness (mm) | ⌀ Tolerance (mm) | Outer Diameter (mm) | Radius of Curvature 1 (mm) | Radius of Curvature 2 (mm) |
|---|---|---|---|---|---|---|---|---|---|---|---|---|---|---|
| G052120000 | ⌀8 | 8 | n | 12.5 | Fused Silica | 4' | 3x0.063 | 2.4 | ±0.15 | 1 | -0.09 | 16 | 6.355 | Plane |
| G052121000 | ⌀10 | 8 | n | 15 | Fused Silica | 4' | 3x0.1 | 2.9 | ±0.15 | 1 | -0.09 | 16 | 7.499 | Plane |
| G052122000 | ⌀12.5 | 8 | n | 20 | Fused Silica | 4' | 3x0.1 | 3.5 | ±0.20 | 1.3 | -0.11 | 16 | 10 | Plane |
| G052123000 | ⌀12.5 | 8 | n | 25 | Fused Silica | 4' | 3x0.1 | 3 | ±0.20 | 1.3 | -0.11 | 16 | 12.589 | Plane |
| G063338000 | ⌀18 | 10 | m | 30 | Fused Silica | 4' | 3x0.1 | 4.4 | ±0.20 | 1.5 | -0.11 | 25 | 15.51 | Plane |
| G063050000 | ⌀22.4 | 10 | m | 40 | Fused Silica | 4' | 3x0.16 | 5 | ±0.20 | 1.5 | -0.13 | 25 | 19.668 | Plane |
| G063339000 | ⌀22.4 | 10 | m | 50 | Fused Silica | 4' | 3x0.16 | 4.1 | ±0.20 | 1.5 | -0.13 | 25 | 25.119 | Plane |
| G063340000 | ⌀22.4 | 10 | m | 60 | Fused Silica | 4' | 3x0.16 | 3.7 | ±0.20 | 1.6 | -0.13 | 25 | 30.287 | Plane |
| G063341000 | ⌀22.4 | 10 | m | 80 | Fused Silica | 4' | 3x0.16 | 3.1 | ±0.20 | 1.5 | -0.13 | 25 | 40.388 | Plane |
| G063342000 | ⌀22.4 | 10 | m | 100 | Fused Silica | 4' | 3x0.16 | 2.8 | ±0.20 | 1.5 | -0.13 | 25 | 50.481 | Plane |
| G063343000 | ⌀22.4 | 10 | m | 200 | Fused Silica | 4' | 3x0.16 | 2.1 | ±0.20 | 1.5 | -0.13 | 25 | 100 | Plane |
| G063111000 | ⌀31.5 | 16 | m | 40 | Fused Silica | 3' | 3x0.16 | 9.5 | ±0.20 | 2 | -0.07 | 35 | 20.316 | Plane |
| G063112000 | ⌀31.5 | 16 | m | 50 | Fused Silica | 3' | 3x0.16 | 7.5 | ±0.20 | 2.1 | -0.07 | 35 | 25.483 | Plane |
| G063113000 | ⌀31.5 | 16 | m | 60 | Fused Silica | 3' | 3x0.16 | 6.4 | ±0.20 | 2 | -0.07 | 35 | 30.509 | Plane |
| G063114000 | ⌀31.5 | 16 | m | 80 | Fused Silica | 3' | 3x0.16 | 5.2 | ±0.20 | 2 | -0.07 | 35 | 40.681 | Plane |
| G063115000 | ⌀31.5 | 16 | m | 100 | Fused Silica | 3' | 3x0.16 | 4.5 | ±0.20 | 2 | -0.07 | 35 | 50.841 | Plane |
| G063366000 | ⌀31.5 | 16 | m | 140 | Fused Silica | 3' | 3x0.16 | 3.3 | ±0.20 | 1.5 | -0.07 | 35 | 70.287 | Plane |
| G063116000 | ⌀31.5 | 16 | m | 200 | Fused Silica | 3' | 3x0.16 | 3.3 | ±0.20 | 2.1 | -0.07 | 35 | 101.82 | Plane |
| G063117000 | ⌀31.5 | 16 | m | 300 | Fused Silica | 3' | 3x0.16 | 3 | ±0.20 | 2.2 | -0.07 | 35 | 152.896 | Plane |
| G063367000 | ⌀31.5 | 16 | m | 400 | Fused Silica | 3' | 3x0.16 | 2.1 | ±0.20 | 1.5 | -0.07 | 35 | 199.53 | Plane |
製品一覧
平凸レンズ(石英ガラス)の一覧表です。 2行目のフィールドに頭の文字を入力すると絞り込めます(例 : 「1」と入力すると、1から始まるデータの行のみが表示されます)。
| 型番 | 製品名 | コーティングなし 型番末尾 xxx=000 |
ARB2-VIS 型番末尾 xxx=322 |
ARB2-NIR 型番末尾 xxx=525 |
ARHS-YAG 型番末尾 xxx=329 |
RAL(AL) 型番末尾 xxx=331 |
RAGV 型番末尾 xxx=400 |
|---|---|---|---|---|---|---|---|
| G052120xxx | Plano-convex lens; Fused silica; D=8; F=12.5; mounted | ¥28,900 | ¥31,800 | ¥38,800 | ¥31,800 | ¥30,900 | ¥30,900 |
| G052121xxx | Plano-convex lens; Fused silica; D=10; F=15; mounted | ¥28,900 | ¥31,800 | ¥38,800 | ¥31,800 | ¥30,900 | ¥30,900 |
| G052122xxx | Plano-convex lens; Fused silica; D=12.5; F=20; mounted | ¥28,900 | ¥31,800 | ¥38,800 | ¥31,800 | ¥30,900 | ¥30,900 |
| G052123xxx | Plano-convex lens; Fused silica; D=12.5; F=25; mounted | ¥28,900 | ¥31,800 | ¥38,800 | ¥31,800 | ¥30,900 | ¥30,900 |
| G063338xxx | Plano-convex lens; Fused silica; D=18; F=30; mounted | ¥26,600 | ¥29,500 | ¥36,600 | ¥29,500 | ¥28,700 | ¥28,700 |
| G063050xxx | Plano-convex lens; Fused silica; D=22.4; F=40; mounted | ¥25,700 | ¥29,100 | ¥37,000 | ¥29,100 | ¥28,200 | ¥28,200 |
| G063339xxx | Plano-convex lens; Fused silica; D=22.4; F=50; mounted | ¥26,200 | ¥29,500 | ¥27,400 | ¥29,500 | ¥28,700 | ¥28,700 |
| G063340xxx | Plano-convex lens; Fused silica; D=22.4; F=60; mounted | ¥26,200 | ¥29,500 | ¥27,400 | ¥29,500 | ¥28,700 | ¥28,700 |
| G063341xxx | Plano-convex lens; Fused silica; D=22.4; F=80; mounted | ¥26,200 | ¥29,500 | ¥27,400 | ¥29,500 | ¥28,700 | ¥28,700 |
| G063342xxx | Plano-convex lens; Fused silica; D=22.4; F=100; mounted | ¥26,200 | ¥29,500 | ¥27,400 | ¥29,500 | ¥28,700 | ¥28,700 |
| G063343xxx | Plano-convex lens; Fused silica; D=22.4; F=200; mounted | ¥26,200 | ¥29,500 | ¥27,400 | ¥29,500 | ¥28,700 | ¥28,700 |
| G063111xxx | Plano-convex lens; Fused silica; D=31.5; F=40; mounted | ¥31,800 | ¥35,900 | ¥46,500 | ¥35,900 | ¥34,700 | ¥34,700 |
| G063112xxx | Plano-convex lens; Fused silica; D=31.5; F=50; mounted | ¥30,900 | ¥35,100 | ¥45,700 | ¥35,100 | ¥33,900 | ¥33,900 |
| G063113xxx | Plano-convex lens; Fused silica; D=31.5; F=60; mounted | ¥31,800 | ¥35,900 | ¥46,500 | ¥35,900 | ¥34,700 | ¥34,700 |
| G063114xxx | Plano-convex lens; Fused silica; D=31.5; F=80; mounted | ¥31,800 | ¥35,900 | ¥46,500 | ¥35,900 | ¥34,700 | ¥34,700 |
| G063115xxx | Plano-convex lens; Fused silica; D=31.5; F=100; mounted | ¥31,800 | ¥35,900 | ¥46,500 | ¥35,900 | ¥34,700 | ¥34,700 |
| G063366xxx | Plano-convex lens; Fused silica; D=31.5; F=140; mounted | ¥31,800 | ¥35,900 | ¥46,500 | ¥35,900 | ¥34,700 | ¥34,700 |
| G063116xxx | Plano-convex lens; Fused silica; D=31.5; F=200; mounted | ¥31,800 | ¥35,900 | ¥46,500 | ¥35,900 | ¥34,700 | ¥34,700 |
| G063117xxx | Plano-convex lens; Fused silica; D=31.5; F=300; mounted | ¥31,200 | ¥35,300 | ¥45,900 | ¥35,300 | ¥34,100 | ¥34,100 |
| G063367xxx | Plano-convex lens; Fused silica; D=31.5; F=400; mounted | ¥31,800 | ¥35,900 | ¥46,500 | ¥35,900 | ¥34,700 | ¥34,700 |
-
※送料については、以下のページから詳細をご確認ください。
送料(配送料)について -
※為替レートの変動により予告なく価格を変更する場合があります。 最新の価格については、お問合せください。
図面
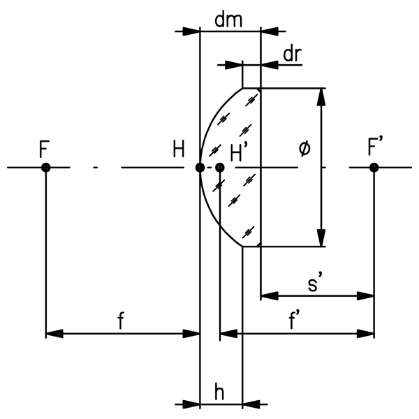
f: focal length (object side)
f': focal length (image side)
s': image distance point secondary vertex
⌀: lens diameter
dm: center thickness
dr: edge thickness
h: primary vertex (h=dm-dr)
F, F': focal points
H, H': principal points
Tolerances:
Focal length f': ±2%
Image distance s': ±2%
コーティング
この製品に関するお問合せフォーム
フォームが表示されるまでしばらくお待ちください。
しばらくお待ちいただいてもフォームが表示されない場合、恐れ入りますが こちら までお問合せください。

