仕様

Part No. Optic Size (mm) Focal Length (mm) Material Optic Centering Accuracy Surface Quality Optic Center Thickness dm (mm) dm Tolerance (mm) Optic Edge Thickness (mm) ⌀ Tolerance (mm) f'546 nm (mm) f'633 nm (mm) f'1064 nm (mm) Radius of Curvature 1 (mm) Radius of Curvature 2 (mm)
G314001000 ⌀6 -6 N-BK7 10' 3 x 0.1 ¥1 ±0.02 2.82 -0.02 -5.98 -6.02 -6.12 -3.101 Plane
G314304000 ⌀6 -10 N-BK7 10' 3 x 0.1 ¥1 ±0.1 2 -0.09 -9.66 -9.73 -9.89 -5.012 Plane
G314002000 ⌀8 -8 N-BK7 10' 3 x 0.1 ¥1 ±0.02 4.09 -0.02 -7.97 -8.03 -8.16 -4.134 Plane
G314003000 ⌀10 -10 N-BK7 10' 3 x 0.1 ¥1 ±0.02 4.86 -0.02 -9.96 -10.03 -10.2 -5.168 Plane
G314305000 ⌀10 -16 N-BK7 10' 3 x 0.16 ¥2 ±0.2 3.1 -0.09 -16.34 -16.45 -16.73 -8.475 Plane
G314331000 ⌀12.7 -30 N-BK7 10' 3 x 0.16 ¥2 ±0.1 2.9 -0.12 -29.9 -30.11 -30.61 -15.51 Plane
G314332000 ⌀12.7 -50 N-BK7 10' 3 x 0.16 ¥2 ±0.1 2.3 -0.12 -50.2 -50.53 -51.4 -26.039 Plane
G314333000 ⌀12.7 -100 N-BK7 10' 3 x 0.16 ¥2 ±0.1 1.9 -0.12 -98.73 -99.43 -101.1 -51.212 Plane
G314334000 ⌀12.7 -200 N-BK7 10' 3 x 0.16 ¥2 ±0.1 1.7 -0.12 -198.41 -199.8 -203.1 -102.92 Plane
G314335000 ⌀12.7 -500 N-BK7 10' 3 x 0.16 ¥2 ±0.1 1.6 -0.12 -502 -505.5 -514 -260.39 Plane
G314301000 ⌀22.4 -40 N-BK7 10' 3 x 0.25 ¥2 ±0.2 4.8 -0.13 -40.16 -40.44 -41.11 -20.833 Plane
G314315000 ⌀22.4 -50 N-BK7 10' 3 x 0.25 ¥2 ±0.2 4 -0.13 -50.2 -50.55 -51.39 -26.039 Plane
G314316000 ⌀22.4 -100 N-BK7 10' 3 x 0.25 ¥2 ±0.2 2.7 -0.13 -100.88 -101.59 -103.27 -52.33 Plane
G314317000 ⌀22.4 -150 N-BK7 10' 3 x 0.25 ¥2 ±0.2 2.3 -0.13 -150.99 -152 -154.52 -78.298 Plane
G314321000 ⌀25.4 -50 N-BK7 10' 3 x 0.25 ¥2 ±0.2 4.8 -0.15 -50.2 -50.53 -51.4 -26.039 Plane
G314322000 ⌀25.4 -100 N-BK7 10' 3 x 0.25 ¥2 ±0.2 3.1 -0.15 -98.73 -99.43 -101.1 -51.212 Plane
G314323000 ⌀25.4 -200 N-BK7 10' 3 x 0.25 ¥2 ±0.2 2.2 -0.15 -201.3 -202.7 -206.1 -104.41 Plane
G314324000 ⌀25.4 -500 N-BK7 10' 3 x 0.25 ¥2 ±0.2 1.8 -0.15 -502 -505.5 -514 -260.39 Plane
G314325000 ⌀25.4 -1,000 N-BK7 10' 3 x 0.25 ¥2 ±0.2 1.7 -0.15 -1009 -1018 -1033 -523.3 Plane

製品一覧

平凹レンズ(マウントなし ・ N-BK7)の一覧表です。 2行目のフィールドに頭の文字を入力すると絞り込めます(例 : 「1」と入力すると、1から始まるデータの行のみが表示されます)。

型番 製品名 コーティングなし
型番末尾
xxx=000
ARB2-VIS
型番末尾
xxx=322
ARB2-NIR
型番末尾
xxx=525
ARHS-YAG
型番末尾
xxx=329
RAL(AL)
型番末尾
xxx=331
RAGV
型番末尾
xxx=400
G314001xxx Plano-Conc. lens; N-BK 7; D=6; F=-6 ¥9,300 ¥12,200 ¥19,300 ¥12,200 ¥11,400 ¥11,400
G314304xxx Plano-Conc. lens; N-BK 7; D=6; F=-10 ¥8,500 ¥11,400 ¥18,500 ¥11,400 ¥10,600 ¥10,600
G314002xxx Plano-Conc. lens; N-BK 7; D=8; F=-8 ¥12,200 ¥15,100 ¥22,200 ¥15,100 ¥14,300 ¥14,300
G314003xxx Plano-Conc. lens; N-BK 7; D=10; F=-10 ¥8,300 ¥11,200 ¥18,300 ¥11,200 ¥10,400 ¥10,400
G314305xxx Plano-Conc. lens; N-BK 7; D=10; F=-16 ¥8,100 ¥11,000 ¥18,000 ¥11,000 ¥10,100 ¥10,100
G314331xxx Plano-Conc. lens; N-BK 7; D=12.7; F=-30 ¥5,800 ¥8,700 ¥15,800 ¥8,700 ¥7,900 ¥7,900
G314332xxx Plano-Conc. lens; N-BK 7; D=12.7; F=-50 ¥5,800 ¥8,700 ¥15,800 ¥8,700 ¥7,900 ¥7,900
G314333xxx Plano-Conc. lens; N-BK 7; D=12.7; F=-100 ¥5,800 ¥8,700 ¥15,800 ¥8,700 ¥7,900 ¥7,900
G314334xxx Plano-Conc. lens; N-BK 7; D=12.7; F=-200 ¥5,800 ¥8,700 ¥15,800 ¥8,700 ¥7,900 ¥7,900
G314335xxx Plano-Conc. lens; N-BK 7; D=12.7; F=-500 ¥5,800 ¥8,700 ¥15,800 ¥8,700 ¥7,900 ¥7,900
G314301xxx Plano-Conc. lens; N-BK 7; D=22.4; F=-40 ¥8,300 ¥11,600 ¥19,500 ¥11,600 ¥10,800 ¥10,800
G314315xxx Plano-Conc. lens; N-BK 7; D=22.4; F=-50 ¥8,300 ¥11,600 ¥19,500 ¥11,600 ¥10,800 ¥10,800
G314316xxx Plano-Conc. lens; N-BK 7; D=22.4; F=-100 ¥8,300 ¥11,600 ¥19,500 ¥11,600 ¥10,800 ¥10,800
G314317xxx Plano-Conc. lens; N-BK 7; D=22.4; F=-150 ¥8,300 ¥11,600 ¥19,500 ¥11,600 ¥10,800 ¥10,800
G314321xxx Plano-Conc. lens; N-BK 7; D=25.4; F=-50 ¥9,300 ¥12,600 ¥20,500 ¥12,600 ¥11,800 ¥11,800
G314322xxx Plano-Conc. lens; N-BK 7; D=25.4; F=-100 ¥9,300 ¥12,600 ¥20,500 ¥12,600 ¥11,800 ¥11,800
G314323xxx Plano-Conc. lens; N-BK 7; D=25.4; F=-200 ¥9,300 ¥12,600 ¥20,500 ¥12,600 ¥11,800 ¥11,800
G314324xxx Plano-Conc. lens; N-BK 7; D=25.4; F=-500 ¥9,300 ¥12,600 ¥20,500 ¥12,600 ¥11,800 ¥11,800
G314325xxx Plano-Conc. lens; N-BK 7; D=25.4; F=-1000 ¥9,300 ¥12,600 ¥20,500 ¥12,600 ¥11,800 ¥11,800
  • 送料については、以下のページから詳細をご確認ください。
    送料(配送料)について
  • 為替レートの変動により予告なく価格を変更する場合があります。 最新の価格については、お問合せください。

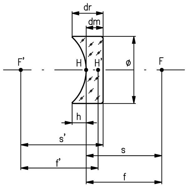
図面

Dimensions f: focal length (object side)
f': focal length (image side)
s: object distance
s': image distance
⌀: lens diameter
dm: center thickness
dr: edge thickness
h: primary vertex (h=dr-dm)
F, F': focal points
H, H': principal points

Tolerances:
Focal length f': ±2%
Image distance s': ±2%

コーティング

コーティング

コーティング

コーティング

この製品に関するお問合せフォーム

フォームが表示されるまでしばらくお待ちください。

しばらくお待ちいただいてもフォームが表示されない場合、恐れ入りますが こちら までお問合せください。

ページトップへ