
仕様
| Part No. | Optic Size (mm) | Focal Length (mm) | Material | Optic Center Thickness dm (mm) | Optic Edge Thickness (mm) | Clear aperture (mm) | s'588 nm (mm) | f'546 nm (mm) | f'588 nm (mm) | f'633 nm (mm) | f'1064 nm (mm) | Outer Diameter (mm) | Radius of Curvature 1 (mm) | Radius of Curvature 2 (mm) |
|---|---|---|---|---|---|---|---|---|---|---|---|---|---|---|
| G063095000 | ⌀18 | 15 | LIBA2000+ | 7.4 | 2 | 17 | 10.6 | 15.4 | 15.5 | 15.6 | 15.8 | 25 | Aspherical | Plane |
| G063097000 | ⌀22.4 | 18 | LIBA2000+ | 10.2 | 2.5 | 21.4 | 11.3 | 17.9 | 18 | 18.1 | 18.4 | 25 | Aspherical | Plane |
| G063098000 | ⌀31.5 | 27 | LIBA2000+ | 12.3 | 2.5 | 30 | 19.4 | 27.4 | 27.5 | 27.6 | 28.1 | 35 | Aspherical | Plane |
製品一覧
非球面コンデンサレンズ(マウント付き ・ クラウンガラス)の一覧表です。
| 型番 | 製品名 | コーティングなし 型番末尾 xxx=000 |
ARB2-VIS 型番末尾 xxx=322 |
ARB2-NIR 型番末尾 xxx=525 |
ARHS-YAG 型番末尾 xxx=329 |
RAL(AL) 型番末尾 xxx=331 |
RAGV 型番末尾 xxx=400 |
|---|---|---|---|---|---|---|---|
| G063095xxx | Asph. condenser lens; D=18; F=15; mounted | ¥14,900 | ¥17,800 | ¥24,900 | ¥17,800 | ¥17,000 | ¥17,000 |
| G063097xxx | Asph. condenser lens; D=22.4; F=18; mounted | ¥14,900 | ¥18,300 | ¥26,200 | ¥18,300 | ¥17,400 | ¥17,400 |
| G063098xxx | Asph. condenser lens; D=31.5; F=27; mounted | ¥15,800 | ¥19,900 | ¥30,500 | ¥19,900 | ¥18,700 | ¥18,700 |
-
※表示価格に消費税は含まれておりません。a送料については、以下のページから詳細をご確認ください。
送料(配送料)について -
※為替レートの変動により予告なく価格を変更する場合があります。 最新の価格については、お問合せください。
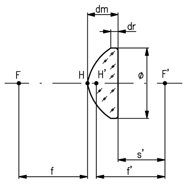
図面
Mounted Aspheric Condenser Lenses
f: focal length (objekt side)
f': focal length (image side)
⌀: lens diameter
s: object distance (objekt side)
s': image distance (image side)
dm: center thickness
dr: edge thickness
F, F': focal points
H, H': primary points
この製品に関するお問合せフォーム
フォームが表示されるまでしばらくお待ちください。
しばらくお待ちいただいてもフォームが表示されない場合、恐れ入りますが こちら までお問合せください。

