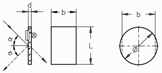
- For splitting or combining beams
- Also available with a wedge for eliminating etalon effects
- N-BK7 glass
- Second surface broadband AR-coated
- Reflectance ≈ transmittance ± 5 % for unpolarized light at AOI = 45°
- Broadband, 450-1000 nm
- Other beamsplitter coatings, as well as different splitting ratios, are described in chapter Thin Film Coatings.
- For higher quantities, customized versions (other sizes, materials, coatings) available on request. Ask our sales team for a special quotation.

製品一覧 ・ 仕様
ビームスプリッタープレート VIS-NIR(可視-近赤外)楕円形の一覧表です。
| 型番 | 製品名 | Thickness d [mm] | Size b x L [mm] | Tolerance d [mm] | Flatness First Surface (λ) | Flatness back surface (λ) | Wedge Angle or Tolerance |
|---|---|---|---|---|---|---|---|
| G344169000 | Beamspl. Pl. VIS-NIR; D=80x113 o.; T=50 | 12.5 | ⌀ 80 x 113 | ±0.3 | 1/4 | 1 | 0°±3' |
| G344173000 | Beamspl. Pl. VIS-NIR; D=22.4x31.5 o.; T=50 | 3.5 | ⌀ 22.4 x 31.5 | ±0.2 | 1/10 | 1/2 | 0°±3' |
価格表
-
※送料については、以下のページから詳細をご確認ください。
送料(配送料)について
図面
透過率
Example: TBP VIS-NIR 50:50 for 450-1000 nm (AOI = 45°; unpolarized)
この製品に関するお問合せフォーム
フォームが表示されるまでしばらくお待ちください。
しばらくお待ちいただいてもフォームが表示されない場合、恐れ入りますが こちら までお問合せください。

