-
※仕様は予告なく変更される場合がございます。

特長
- ドライセル、液侵セル(IM)、SolGelコート付きセル(SG)の3バージョンから選択
- λ / 4 波長板をオプションで追加可能:LM n (IM) (SG) WP
- 密封用にダストキャップをオプションで追加可能:LM n (IM) (SG) DT
- ダメージ閾値 >500MW / cm2 at 1064nm, 10ns, 1Hz(保証値ではなく、一般値です)
仕様
| Part No. | Clear aperture ⌀ (mm) |
Transmission typical (%) |
Extinction ratio (voltage-free) |
λ/4-voltage DC at 1064 nm, 20℃ (kV) |
Capacity (pF) |
|---|---|---|---|---|---|
| 84503001005 | 8.0 | 91 | > 3000:1 | 3.2 +15% / - 10% | 4 |
| 84503011002 | 8.0 | 98 | > 3000:1 | 3.2 +15% / - 10% | 4 |
| 84503006001 | 7.5 | 98 | > 3000:1 | 3.2 +15% / - 10% | 4 |
| 84503002001 | 10.0 | 91 | > 3000:1 | 3.2 +15% / - 10% | 6 |
| 84503012001 | 10.0 | 98 | > 3000:1 | 3.2 +15% / - 10% | 6 |
| 84503007005 | 9.5 | 98 | > 3000:1 | 3.2 +15% / - 10% | 6 |
| 84503003001 | 12.0 | 91 | > 3000:1 | 3.2 +15% / - 10% | 8 |
| 84503013003 | 12.0 | 98 | > 3000:1 | 3.2 +15% / - 10% | 8 |
| 84503008001 | 11.0 | 98 | > 3000:1 | 3.2 +15% / - 10% | 8 |
| 84503004000 | 16.0 | 91 | > 1000:1 | 3.4 +15% / - 10% | 8 |
| 84503009000 | 15.0 | 98 | > 1000:1 | 3.4 +15% / - 10% | 8 |
ラインアップ
| 型番 | 商品名 |
|---|---|
| 84503001005 | LM8 HD 1064 nm |
| 84503011002 | LM8 IM HD 1064 nm |
| 84503006001 | LM8 SG HD 1064 nm |
| 84503002001 | LM10 HD 1064 nm |
| 84503012001 | LM10 IM HD 1064 nm |
| 84503007005 | LM10 SG HD 1064 nm |
| 84503003001 | LM12 HD 1064 nm |
| 84503013003 | LM12 IM HD 1064 nm |
| 84503008001 | LM12 SG HD 1064 nm |
| 84503004000 | LM 16 HD 1064 nm |
| 84503009000 | LM 16 SG HD 1064 nm |
技術資料
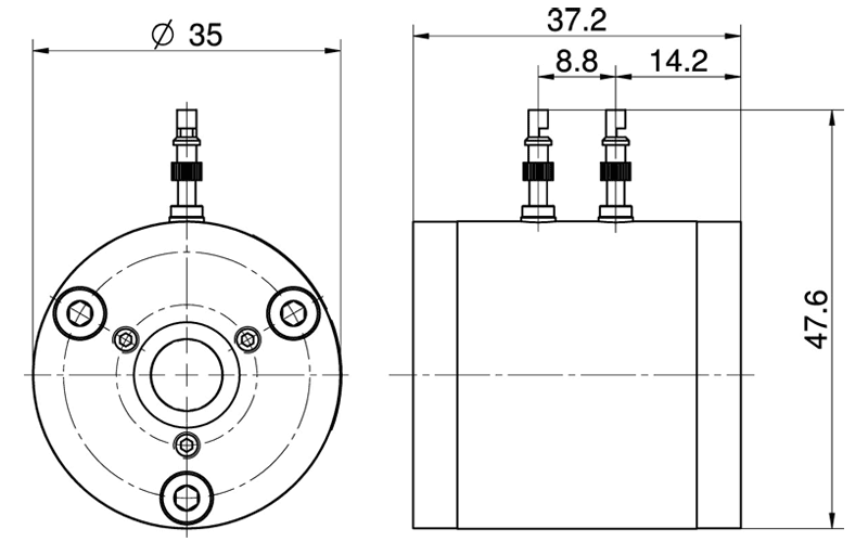
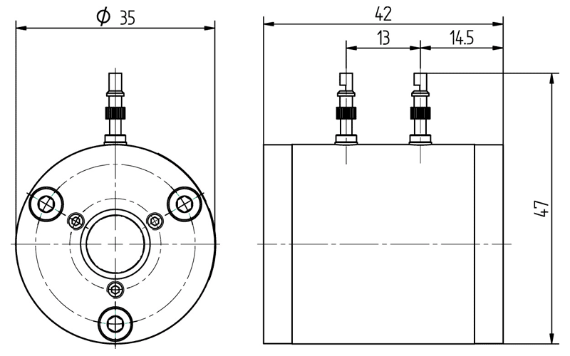
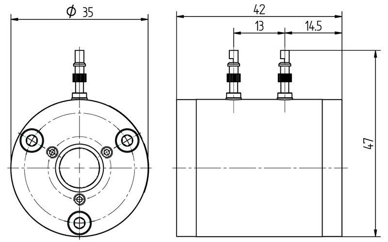
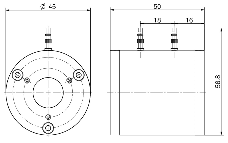
図面
LM 8 (IM) (SG)
LM 10 (IM) (SG)
LM 12 (IM) (SG)
LM 16 (IM) (SG)
この製品に関するお問合せフォーム
フォームが表示されるまでしばらくお待ちください。
しばらくお待ちいただいてもフォームが表示されない場合、恐れ入りますが こちら までお問合せください。

