半導体製造分野からの要望で開発された低アウトガスの光アイソレータです。
揮発性有機化合物の含有量が一般の光アイソレータの1/25です。 ダメージ閾値の高いオプティカルコンタクトの合成石英製の偏光子を入力と出力部分に使用しています。 アイソレーションは 33dB以上、透過率は 1µm用 95%以上、405nm用 86%以上です。

特長
- 低アウトガス
- アイソレーション 33dB以上 (一般値 38~42 dB)
- コンパクト設計
- オプティカルコンタクトの合成石英製偏光子で高出力レーザーに対応
- 希土類磁石
- ブロックしたビームにアクセス可能
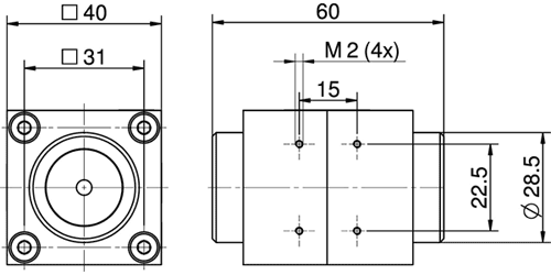
- マウント穴 : 底面にM2タップ x 4か所
- オプション : 内蔵の波長板
製品一覧 ・ 仕様
| 型番 | 有効径 [mm] |
寸法 [mm] |
設計波長 [nm] |
アイソレーション保証値 / 一般値 [dB] | 設計波長での透過率 [%] | 境界波長での透過率 [%] | 波長チューニングレンジの一般値 [nm] | ダメージ閾値 @1.2ps パルス [J/cm2] | ダメージ閾値 @8ns パルス [J/cm2] |
|---|---|---|---|---|---|---|---|---|---|
| FI-405-3SC LO | 3.5 | 40 x 40 x 60 | 405 | > 33 / 38-42 | ≥ 86 | ≥ 86 | 400 - 410 | 0.2 @405nm | 2.6 @488nm |
| FI-1030-3SC LO | 3.5 | 40 x 40 x 60 | 1030 | > 33 / 38-42 | ≥ 95 | ≥ 90 | 1025 - 1064 | 0.6 @1030nm | 8.2 @1030nm |
| FI-1060-3SC LO | 3.5 | 40 x 40 x 60 | 1060 | > 33 / 38-42 | ≥ 95 | ≥ 90 | 1030 - 1090 | 0.6 @1060nm | 8.5 @1060nm |
技術資料
図面
FI-x-3SC LO (x = 405, 1030, 1060 nm)
この製品に関するお問合せフォーム
フォームが表示されるまでしばらくお待ちください。
しばらくお待ちいただいてもフォームが表示されない場合、恐れ入りますが こちら までお問合せください。

