特長
- 小型設計の光アイソレータ
- アイソレーション 30dB以上(一般値 38~42 dB)
- TGG結晶
- 希土類磁石
- ブロックしたビームにアクセス可能(保護キャップは簡単に取り外せます)
- ブリュースター偏光子バージョンあり(BP)
- オプティカルコンタクト偏光子の高出力バージョンあり (HP)
- マウント穴 : 底面に M2タップ x 4か所
製品一覧 ・ 仕様
| 型番 | 有効径 [mm] |
寸法 [mm] |
設計波長 [nm] |
アイソレーション保証値 / 一般値 [dB] |
設計波長での透過率 [%] | 境界波長での透過率 [%] | 波長チューニングレンジの一般値 [nm] | ダメージ閾値@1.2ps パルス [J/cm2] | ダメージ閾値@8ns パルス [J/cm2] |
|---|---|---|---|---|---|---|---|---|---|
| FI-488-3SC HP | 3.3 | 40x40x60 | 488 | > 35/38-42 | > 90 | - | 478 - 498 | 0.3@488nm | 6.5@488nm |
| FI-488-5SC HP | 5 | 45x45x58 | 488 | > 35/38-42 | > 90 | - | 478 - 498 | 0.3@488nm | 6.5@488nm |
| FI-930-5SC | 5 | 45x45x58 | 930 | > 30/38-42 | > 90 | > 85 | 880 - 990 | 0.2@930nm | 0.9@930nm |
| FI-980-3SC | 3.3 | 40x40x60 | 980 | > 30/38-42 | > 90 | > 85 | 925 - 1040 | 0.2@980nm | 1.0@980nm |
| FI-1030-3SC HP | 3.3 | 40x40x60 | 1030 | > 32/38-42 | > 94 | > 85 | 1025 - 1064 | 0.6@1030nm | 8.2@1030nm |
| FI-1030-5SC HP | 5 | 45x45x58 | 1030 | > 32/38-42 | > 94 | > 85 | 1025 - 1064 | 0.6@1030nm | 8.2@1030nm |
| FI-1060-3SC HP | 3.3 | 40x40x60 | 1060 | > 32/38-42 | > 94 | > 85 | 1030 - 1090 | 0.6@1060nm | 8.5@1060nm |
| FI-1060-5SC HP | 5 | 45x45x58 | 1060 | > 32/38-42 | > 94 | > 85 | 1030 - 1090 | 0.6@1060nm | 8.5@1060nm |
| FI-1060-5SC BP | 5 | 45x45x69 | 1060 | > 30/ >30 | > 90 | - | 1060 | - | 15.7@1060nm |
| FI-1120-3SC | 3.3 | 40x40x60 | 1120 | > 30/38-42 | > 90 | > 85 | 1080-1170 | 0.2@1120nm | 1.1@1120nm |
| FI-1120-5SC | 5 | 45x45x58 | 1120 | > 30/38-42 | > 90 | > 85 | 1080-1170 | 0.2@1120nm | 1.1@1120nm |
| FI-1210-3SC | 3.3 | 45x45x96 | 1210 | > 30/38-42 | > 90 | > 85 | 1160 - 1260 | 0.3@1210nm | 1.2@1210nm |
| FI-1210-5SC | 5 | 45x45x96 | 1210 | > 30/38-42 | > 90 | > 85 | 1160 - 1260 | 0.3@1210nm | 1.2@1210nm |
技術資料
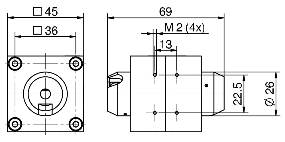
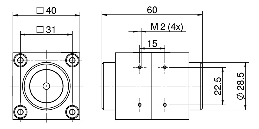
図面
FI-x-3SC (x = 488, 980, 1064, 1120nm)
FI-x-5SC (x = 488, 930, 1064, 1120nm)
FI-1060-5SC-BP
FI-1210-3SC, FI-1210-5SC
この製品に関するお問合せフォーム
フォームが表示されるまでしばらくお待ちください。
しばらくお待ちいただいてもフォームが表示されない場合、恐れ入りますが こちら までお問合せください。


